SSA5000A
发布时间:
2022-01-22
浏览次数:
936
次
鼎阳科技为研发更强大的功能,创造更优质的产品而不懈努力,带来更加高效的解决方案:相位噪声测量、噪声系数测量、脉冲测量、蓝牙调制分析,通过升级固件,增加新的应用软件和技术,让您的测试资产增值
新功能·新升级·新体验,从此刻开始!鼎阳科技为研发更强大的功能,创造更优质的产品而不懈努力,带来更加高效的解决方案:相位噪声测量、噪声系数测量、脉冲测量、蓝牙调制分析,通过升级固件,增加新的应用软件和技术,让您的测试资产增值。
蓝牙调制分析(SSA5000-BT)
噪声系数测量(SSA5000-NF)
相位噪声测量(SSA5000-PN)
脉冲测量(SSA5000-PU)
蓝牙调制分析(SSA5000-BT)
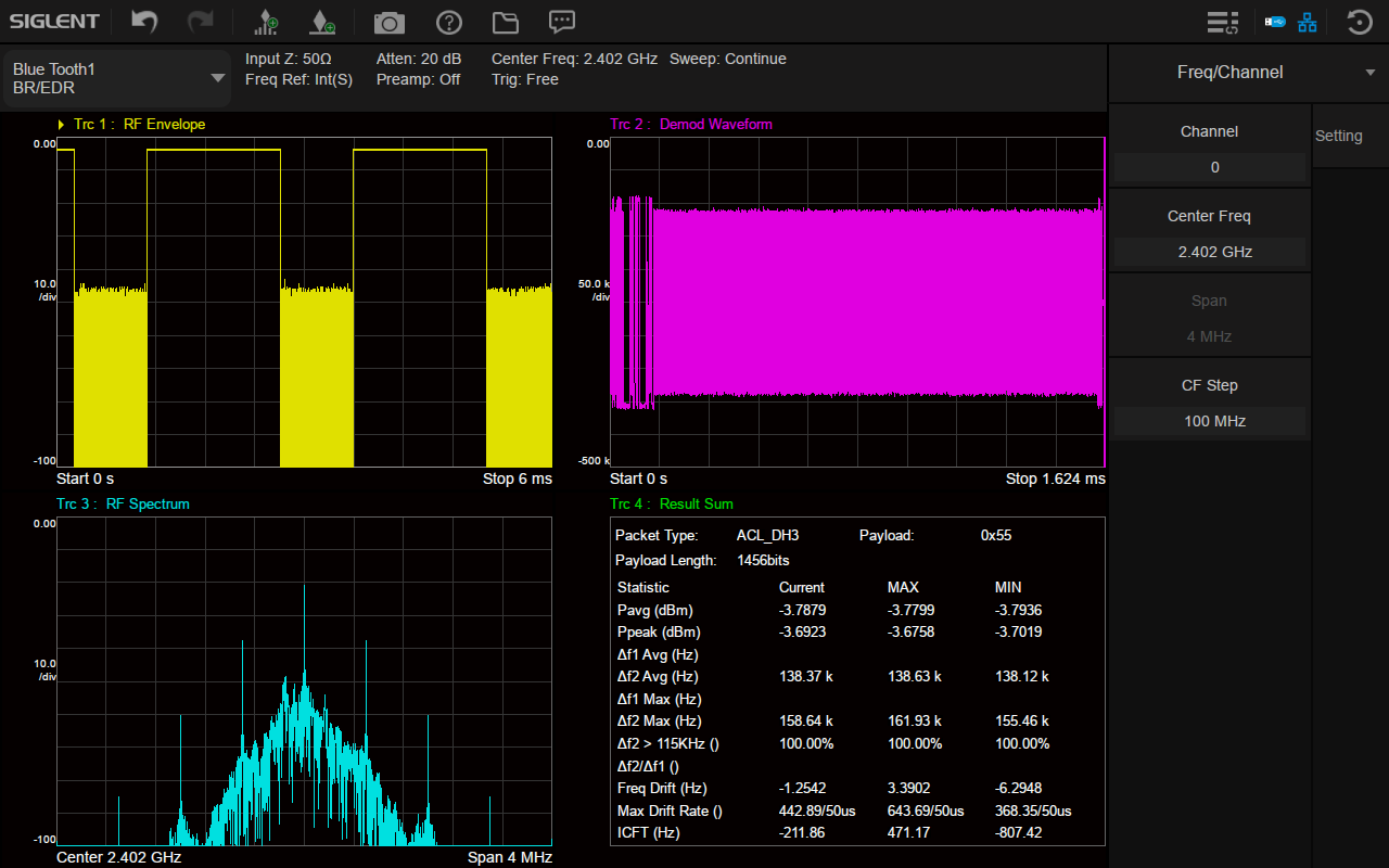
蓝牙技术作为一种无线通信技术,广泛应用于各种设备和应用场景。该测量应用遵循Bluetooth SIG发布的Bluetooth® RF测试规范计算测量结果,自动检测信号的协议版本进行Bluetooth BR/EDR/LE一键测量助您放心地设计、评估和制造蓝牙设备。与SigIQPro信号生成软件组成鼎阳科技经济高效的Bluetooth信号生成与信号分析解决方案,加速从生成信号到数据信息再到评估结论的进程。SSA5000A有助于用户在实验室灵活地开展故障排查,轻松快速地优化RF设计。

噪声系数测量(SSA5000-NF)
噪声系数的精确测量对于产品的研发和制造都非常关键。在研发领域,高测试精度可以保证设计仿真和真实测量之间的可复验性高,并有助于发现在仿真过程中未予以考虑的噪声来源;在生产和制造领域,更高的测试精度意味着在设定和验证器件的技术指标时可把指标的余量设定得更小,最终产品的技术指标越高,就越有市场竞争力。鼎阳科技SSA5000A噪声系数测量功能为工程师提供了一个简单的工具,可以快速有效地进行高质量的噪声系数测量,用折线图、计量表和表格视图描述DUT和系统模块的噪声系数和增益,除此之外还支持测量噪声因子、Y因子、等效噪声温度、热噪底、冷噪底等参数。

相位噪声测量(SSA5000-PN)
稳定的频率源是许多电子设备和大多数射频设备的共同需要。相位噪声可以用来描述和测量这些频率源的短期频率稳定性。鼎阳科技SSA5000A频谱仪提供一键式相位噪声测量功能。SSA5000A具有更低的显示平均噪声电平(DANL)和相位噪声,为您的测试的精确度保驾护航。更小的分辨率带宽,可以避免同时测量到载波功率和噪声功率,测量结果更精细化。横坐标使用对数刻度,既可以获得较宽的频率范围,又可以在接近载波时获得更精细的分辨率——较小的偏移往往比较大频率偏移时的相位噪声更能反应信号的质量。

脉冲测量(SSA5000-PU)
射频脉冲信号广泛应用于脉冲调制中,对于从事相关领域的工程师而言,总是绕不开脉冲信号的测试。在一些蜂窝通信、无线传感器网络等应用中,信号设计和验证需要脉冲信号分析和时域/频域/调制的综合测试工具。鼎阳科技的SSA5000A脉冲测量功能,可以帮助工程师更好的分析当今的动态信号环境,可以自动进行功率测量、脉冲特性、转换特性测量。最高分辨率带宽可达10MHz,上升时间测量结果最低可达66ns,配合多种的触发方式,稳定捕获捷变信号。

分享到:
推荐新闻
鼎阳,不止于示波器丨12.26,相约银河系列高端新品发布会
SDS7000A再升级!更高的采样率,更强的测试功能
高速测量!鼎阳科技发布SDM4000A系列五位半、六位半数字万用表
矢量混频测量与增益压缩测量功能上线,鼎阳矢量网络分析仪性能再升级
鼎阳科技发布SSG6082A-V全新矢量信号源
强化阵容| 鼎阳科技发布SPS6000X宽范围可编程直流开关电源新型号
鼎阳科技发布4GHz电源轨探头、1.5GHz无源探头及5GHz有源差分探头新配件
鼎阳科技持续创新突破,SNA系列矢量网络分析仪新增材料测量与开关矩阵控制功能
全面升级!鼎阳科技发布SDG1000X Plus任意波形发生器
国产新标杆| 鼎阳科技发布8GHz带宽 12bit高分辨率示波器
鼎阳科技发布PC端示波器软件SigScopeLab 免费版,实现数据共享与远程分析
超高速!鼎阳科技发布SDM4000A六位半数字万用表
5G 测试| 鼎阳科技发布SHA860A系列手持信号分析仪
专业级示波器!鼎阳科技发布SDS800X HD系列高分辨率示波器
鼎阳科技发布SigIQPro软件简化信号仿真与加速测试
高分辨率示波器SDS3000X HD和SDS1000X HD全新亮相
四通道电源!鼎阳科技发布SPD4000X系列可编程线性直流电源
鼎阳科技发布全新一代SHN900A系列全双端口手持矢量网络分析仪
鼎阳科技发布8通道高分辨率示波器,创造三相电和多通道时序测量新体验